欢迎访问新乡市PA视讯振动电机设备有限公司,振动电机,PA视讯振动,,振动器,振动平台网站!

全国统一咨询热线

18638326196

当前位置:首页 > 产品中心

VB振动电机

VB振动电机

产品分类:产品中心

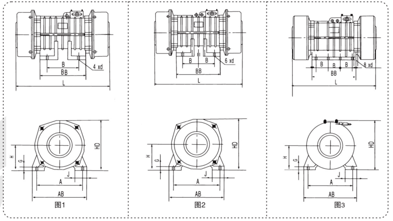
产品简介:VB振动电机采用一次性铸造完成,充分増加了刚性强度,采用消失模铸造,外观造型美观。用于料仓、料斗、溜槽的仓壁振动,自同步直线振动筛、振动给料机、振动输送机等各种振动机械的激振源,是冶金、矿山、煤炭、建材、化工等部门的理想...

全国热线:

0373-5427218 18638326196

产品详情

VB振动电机采用一次性铸造完成,充分増加了刚性强度,采用消失模铸造,外观造型美

观。用于料仓、料斗、溜槽的仓壁振动,自同步直线振动筛、振动给料机、振动输送机等各种振动机械的激振源,是冶金、矿山、煤炭、建材、化工等部门的理想设备,有广泛的应用范围。拆装更方便,维护更简单。

imageimage

image

选择我们的4大优势

对企业来说,品质保证是衡量一个企业实力的重要标准

严格把控的品质保证

所有产品经过严格的出厂测试,确保符合质量标准,随货带检测报告和合格证;

强有力企业实力

注册资金100万元,集研发、制造、销售为一体的专业电机生产厂家

公司主营振动电机、振动器、振动平台,广泛用于煤矿筛选、冶金、石材、医药、化工、粮食、电力、水泥等行业

灵活的产品定制服务

本公司产品均可提供个性定制,根据客户的要求生产出您满意的产品, 满足您每一个细微的需求

细致入微的售后服务

产品售后问题,1小时快速响应,从下单到出货专业人员全程跟踪,管家式服务

对每个客户建立档案,定期跟踪,24小时电话咨询服务,保证快速给出客户全面解决方案

京ICP证48796266号

关闭
PA视讯
网站地图